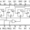
SN74LS93 عبارة عن دائرة متكاملة لعداد ثنائي مكون من 4 بتات وهي جزء من عائلة 74LS المنطقية. تتميز بعدادين مستقلين: عداد ثنائي مكون من 2 بت وعداد ثنائي مكون من 3 بتات، يمكن تجميعهما لتشكيل عداد مكون من 4 بتات. تعمل SN74LS93 بتقنية Schottky منخفضة الطاقة ولديها مدخلات مسح وساعة غير متزامنة. يمكنها العد من 0 إلى 15 (بنظام ثنائي) وغالبًا ما تستخدم في تطبيقات مثل تقسيم التردد وعد الأحداث ودوائر الساعة الرقمية. تعمل على نطاق مصدر طاقة يتراوح من 4.75 فولت إلى 5.25 فولت.
The SN74LS93 is a 4-bit binary counter IC , part of the 74LS logic family. It features two independent counters: a 2-bit binary counter and a 3-bit binary counter, which can be cascaded to form a 4-bit counter. The SN74LS93 operates on low power Schottky technology and has asynchronous clear and clock inputs. It can count from 0 to 15 (in binary) and is often used in applications like frequency division, event counting, and digital clock circuits. It operates on a power supply range of 4.75V to 5.25V.





المراجعات
لا توجد مراجعات بعد.